
TLVR: Die Antwort auf Ihre Herausforderungen in Bezug auf hohe Ströme und niedrige Spannungen
Reduzieren Sie Ihre Leistungsverluste und verbessern Sie die Einschwingzeit mit Produkten von Würth Elektronik
Die Herausforderung:
Wenn Prozessoren (CPUs, GPUs, FPGAs) kleiner werden, sinken die Betriebsspannungen, während der Stromverbrauch steigt. Dies stellt eine Herausforderung für Netzteile dar, die bei plötzlichen hohen Lasten stabile Spannungen aufrechterhalten müssen. Eine präzise Spannungsregelung ist entscheidend, um Fehlfunktionen zu vermeiden.
Warum Sie einen TLVR (Trans-Induktivitäts-Spannungsregler) benötigen:
- Kosteneffektiv: Reduziert den Bedarf an Filterkondensatoren und spart Platz und Kosten
- Optimierte Leistung: TLVR minimiert Spannungsschwankungen
- Schnelle Stabilisierung: Verkürzt die Spannungsstabilisierungszeit bei Laständerungen deutlich
- Höhere Effizienz: Im Vergleich zu einem normalen DC/DC-Wandler aufgrund einer Induktivität mit sehr niedrigem RDC-Wert
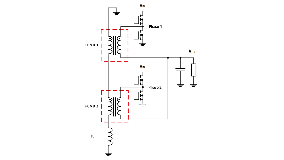
TLVR-Topologie
Der Trans-Induktivitäts-Spannungsregler (TLVR) bietet eine schnelle Einschwingzeit, eine hohe Leistungsdichte sowie eine kostengünstige Lösung für Anwendungen, bei denen plötzliche Laständerungen auftreten.
Die Primärseite jeder gekoppelten Induktivität (WE-HCMD 1 und WE-HCMD 2) ist zwischen dem Schaltknoten jeder Phase und dem Ausgangsspannungswandler angeschlossen.
Die zusätzlichen Sekundärwicklungen sind in einer Reihenschleife mit einer zusätzlichen Induktivität verbunden, die als kompensierende Induktivität (LC) bezeichnet wird.
Lasttransienten
Die verschiedenen Phasen summieren sich zum Strom ISUM, der von der Last benötigt wird. Der Peak-to-Peak-Rippelstrom wird reduziert.
Dies führt zu einer schnelleren Einschwingzeit und einem geringeren Spannungsabfall während Lasttransienten, sodass die Frequenzen erhöht werden können. Die Stromlast der einzelnen Phasen wird reduziert, sodass kleinere Induktivitäten verwendet werden können.

Empfohlene Produkte
Anwendungen

Leistungsprozessoren

FPGA

Hochleistungs-ASIC-Anwendungen
